OSW光开关
高可重复性、低插入损耗、高密度、低成本、易部署
· 高可重复性,使用寿命超过1000万次
· 低插入损耗,低偏振相关损耗,通道一致性好
· 切换时间短,低于30ms
· 矩阵式光开关,自由重构
· 可编程,支持时间、按键和程序多种控制方式
· OMEGA系列模块式可集成多种功能模块于一体,可以快速实现对光器件等产品的一站式测试
· XHASIS系列机架式光开关密度高,体积小,易部署,成本低
产品详情

产品概述
为满足光通信网络中多样化场景需求,澳门六开奖结果2025开奖记录-澳门六开奖2025年开奖结果录-澳门六开奖结果2025开奖记录查询一览表-澳门六开奖结果2026年-2025澳门今晚开奖结果-今天开码结果澳门开奖光开关产品通过技术创新与设计优化,具有OMEGA系列模块式与XHASIS系列机架式两大形态,兼具高可重复性、低插入损耗、高密度、低成本、易部署等核心优势。此外,加上定制化设计,光开关可灵活适配光纤测试仪表、光器件研发及工业传感系统,以及大规模光网络路由、光层重构及自动化运维场景。
主要特性
· 高可重复性,使用寿命超过1000万次
· 低插入损耗,低偏振相关损耗,通道一致性好
· 切换时间短,低于30ms
· 矩阵式光开关,自由重构
· 可编程,支持时间、按键和程序多种控制方式
· OMEGA系列模块式可集成多种功能模块于一体,可以快速实现对光器件等产品的一站式测试
· XHASIS系列机架式光开关密度高,体积小,易部署,成本低
主要应用
光环路保护和切换
光纤网络远程监控
光器件测试与研究
自动化测试
主要分类
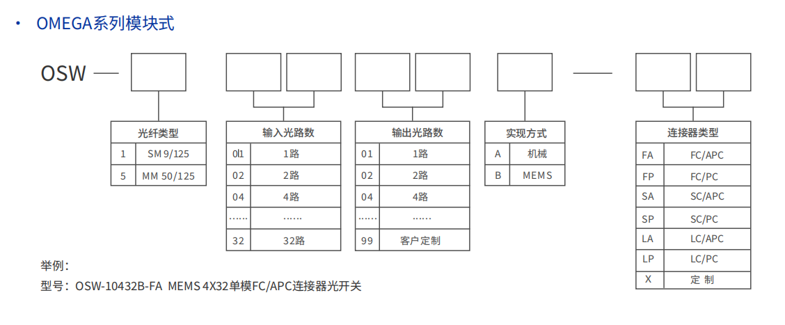
OMEGA系列模块式
· 1 x N光开关模块
· 2 x N光开关模块
· 矩阵式光开关模块
XHASIS系列机架式
· 高通道矩阵式光开关
· 高密度机架式光开关
OMEGA系列模块式 vs XHASIS系列机架式

高可重复性
· 高切换次数:OSW光开关的切换次数可以达到1000万次,MEMS光开关可以达到10亿次。
· 高可重复性:插入损耗随机切换100次的重复性小于0.02dB,为用户提供高度可靠的光路。
低插入损耗,低偏振相关性,通道一致性好,切换时间短
· 低插入损耗:OSW各通道插入损耗小于1.0dB。
· 低偏振相关性:偏振相关损耗小于0.05dB。
· 切换时间短:切换时间低于30ms。
矩阵式光开关,可以实现M x N光路路由
· 矩阵式光开关具有高密度特点,可以实现M x N光路路由。
· MEMS光开关是基于微机电系统技术,其核心原理是通过微米级可动微镜阵列的精确控制实现光路的动态切换,可以实现M到N通道的任意切换。

可编程,支持多种控制方式
多种通信方式:OMEGAv1.0和XHASIS机架式光开关提供TCP/IP或USB连接方式,OMEGA v2.0则经过进一步优化,支持LXI通信。
· 可视化测试:配备可视化软件,方便用户便捷使用,搭建测试平台。
· 自动化测试:可以通过外部TRIG信号,等待设定时间或者触摸屏、实体按键等多种方式触发光开关切换,提供API接口,封装LabVIEW语句的控制指令等,帮助用户快速嵌入测试系统。

主要应用场景
光开关实现不同测试仪表的选择,从而消除因连接重复性不好导致的偏差。

通过光关组合,实现多通道产品的自动化测试。

通过多级光开关矩阵组合,实现多通道产品双向自动化测试。

通过M x N光开关组合,实现数据传输的MUX, DEMUX。

性能参数
| 参数 | 机械式光开关 | MEMS光开关 | |
| 波长范围 | 1260nm~1650nm | 1250nm~1670nm | |
| 测试波长 | 1310nm/1550nm | ||
| [2] 插入损耗 | Max:1.2dB | Max:1.3dB | |
| 回波损耗 | >50dB(SM/APC);>30dB(MM/PC >50dB(SM/APC);>30dB(MM/PC | ||
| 通道串扰 | SM>70dB,MM>55dB SM>50dB,MM>30dB | ||
| 重复度 | <±0.02dB | <±0.02dB | |
| 切换次数 | ≥107次 | ≥109次 | |
| 切换时间 | 10ms*(n-m)+5ms 10ms*(n-m)+30ms | from port m to n,n>m from port n to m,n>m | min 5ms max 10ms |
| 输入电压 | AC90~260V/50HZ | ||
| 工作温度 | 10℃~40℃ | ||
| 存储温度 | -40℃~70℃ | ||
| 尺寸 [3] | OMEGA系列模块式:机箱:359mm×274mm×115mm 单插槽模块:285mmX133mmX35m m双插槽模块:285mmX133mmX71mm XHASIS系列机架式:2U或3U | ||
备注:
[1]机械式光开关切换寿命大于107次 ,MEMS切换寿命大于109次。
[2]不包括连接器引入的插入损耗,插入损耗和光开关端口数有关,机械式光开关的插入损耗见下表。机械式偏振相关损耗小于0.05dB,MEMS小于0.1dB。
[3]OMEGA系列模块式根据光开关端口数模块有单插槽、双插槽和多插槽,其中多插槽的宽度尺寸是单插槽宽度的叠加。
XHASIS系列机架式根据光开关端口数,光开关有2U,3U等尺寸。
[4] 重复性测试条件为23℃±3℃,MEMS光开关测试100次,使用FC/APC接口。
订购信息



轻松获取澳门六开奖结果2025开奖记录-澳门六开奖2025年开奖结果录-澳门六开奖结果2025开奖记录查询一览表-澳门六开奖结果2026年-2025澳门今晚开奖结果-今天开码结果澳门开奖的服务与支持
您是否需要支持与服务?从这里可以快速获取更多资源,最大程度的提升您的产品体验。



粤公网安备44030502009809