FA/JUMPER新型连接器测试解决方案
一站式高效测试FA/JUMPER新型连接器IL、RL、极性!
· 支持单模、多模FA器件测试
· 波长可定制,如1270,1490,1625nm等
· 一站式测试IL、RL、极性,无需两端对接
· FA特定回损模式,锁定测距更准确
· 专利设计视觉检测极性
· 丰富的FA夹具、接口,轻松替换
· 探测接口可外置,适配多分支FA或Z-BLOCK器件
· 可在已有极性插回损仪升级,低成本迭代
· 可定制阿基米德积分球,测试2000+芯数FA
产品详情

产品概述
FA/JUMPER器件随着光模块的发展也迎来了新的市场需求;与传统连接器不同,FA/JUMPER器件尾端的晶体端面不能直接进行物理对接,并且器件的长度也普遍较短,因此在插入损耗、回波损耗测试上存在漏光、回损测试不准等问题,同时也不能用常规的极性检测仪测试光纤极性。为此澳门六开奖结果2025开奖记录-澳门六开奖2025年开奖结果录-澳门六开奖结果2025开奖记录查询一览表-澳门六开奖结果2026年-2025澳门今晚开奖结果-今天开码结果澳门开奖科技在多芯极性插回损仪的基础上升级选代,为客户提供一站式的FA/JUMPER测试解决方案,兼顾不同分支数、不同角度的FA器件测试,快速测试儿、RL、极性,提高生产检验的效率。
主要优势
· 支持单模、多模FA器件测试
· 波长可定制,如1270,1490,1625nm等
· 一站式测试IL、RL、极性,无需两端对接
· FA特定回损模式,锁定测距更准确
· 专利设计视觉检测极性
· 丰富的FA夹具、接口,轻松替换
· 探测接口可外置,适配多分支FA或Z-BLOCK器件
· 可在已有极性插回损仪升级,低成本迭代
· 可定制阿基米德积分球,测试2000+芯数FA
主要应用
· MT-FA器件
· JUMPER
· Z-BLOCK连接器
· 光模块内部微型连接
方案特点
· 功能丰富可自定义的软件,支持数据库
· 可测试Tx端IL、ISO隔离度,Rx端IL、RL
· 全平台架构,可集成澳门六开奖结果2025开奖记录-澳门六开奖2025年开奖结果录-澳门六开奖结果2025开奖记录查询一览表-澳门六开奖结果2026年-2025澳门今晚开奖结果-今天开码结果澳门开奖端检、干涉仪检测
丰富的接口设计,稳定夹持,多维光机件精密微调
传统插回损仪在测试FA器件时往往存在接口不适配,对接不紧密导致漏光或偏离角度造成插损测试数值不准确的问题。澳门六开奖结果2025开奖记录-澳门六开奖2025年开奖结果录-澳门六开奖结果2025开奖记录查询一览表-澳门六开奖结果2026年-2025澳门今晚开奖结果-今天开码结果澳门开奖科技提供夹具+接口的设计方式,便于用户快速操作,能够夹持稳定,并且不划伤端面,减少误差。

为了适配一些较宽的FA器件或是多分支端口同时接入测试的情况,插回损仪积分球的接口进行了适配升级,入光口径>10mm并在接口边缘进行了防漏光设计。
在MT-FA测试需求下,澳门六开奖结果2025开奖记录-澳门六开奖2025年开奖结果录-澳门六开奖结果2025开奖记录查询一览表-澳门六开奖结果2026年-2025澳门今晚开奖结果-今天开码结果澳门开奖科技提供多澳门六开奖结果2025开奖记录-澳门六开奖2025年开奖结果录-澳门六开奖结果2025开奖记录查询一览表-澳门六开奖结果2026年-2025澳门今晚开奖结果-今天开码结果澳门开奖调节的光机平台帮助用户实现多端同时测试。该光机组件预留足够的调节澳门六开奖结果2025开奖记录-澳门六开奖2025年开奖结果录-澳门六开奖结果2025开奖记录查询一览表-澳门六开奖结果2026年-2025澳门今晚开奖结果-今天开码结果澳门开奖数,若需要更换被测件时,只需手动调校到新被测件合适的位置和角度即可。

一步检测插入损耗、回波损耗、极性,解决FA极性痛点
FA/JUMPER器件由于无法直接对接极性测试仪的MPO接口,导致TOSA/ROSA阵列的极性测试方法失效。澳门六开奖结果2025开奖记录-澳门六开奖2025年开奖结果录-澳门六开奖结果2025开奖记录查询一览表-澳门六开奖结果2026年-2025澳门今晚开奖结果-今天开码结果澳门开奖科技首发专利提出的视觉检测极性方案能够有效解决这一痛点,并且内置于插回损仪内部,用户只需要一步操作接入被测件,就可以检测FA/JUMPER器件的IL、RL、极性。
该测试方案能够实现自动测试IL、RL、极性,用户如测试大芯数光纤阵列器件(如2000+芯数以上),也可以通过大容量积分收光实现测试。对于多分支FA器件,软件可智能整理极性顺序,并统一生成报告。
半自动化测试,快速提效测试
采用电机半自动移动FA平台结构,可实现双器件快速测试。用户可在当前器件测试时进行下一器件的装配、夹持及扫码等工作,60s内可完成两次极性及插回损测试。同时,用户可针对具体使用通道情况进行自定义编辑,同时兼容12芯、16芯、24芯MT-FA器件分区测试。

主要规格参数
产品基本型号 | RLM-1812B-IFA-24 | RLM-L-1812A-IFA-24 | |
产品系列 | 专家版 | 标准版 | |
光纤类型 | 9/125nm | 9/125nm | |
测试波长 | 1310/1550nm | 1310/1550nm | |
回损范围 | -30~80dB | -30~72dB | |
回损精度 | -30~70dB: ±1.0dB -70~75dB: ±2.0dB | -30~65dB: ±1.0dB -65~70dB: ±2.0d | |
插损精度 | 0~1dB: ±0.02dB | 0~1dB: ±0.02dB | |
1~5dB: ±0.05dB | 1~5dB: ±0.05dB | ||
5~10dB: ±0.1dB | 5~10dB: ±0.1dB | ||
主机部分 | 工作电源 | AC90~260V/50HZ | |
开机稳定时间 | 30分钟(存储与使用温度一致 )90分钟(存储与使用温度不一致) | ||
工作温度 | 10°C~40°C | ||
存储温度 | -40°C~70°C | ||
尺寸 | OMEGA机箱: 462mmx374mmx171mm | ||
*注释:回损准确度光强在-60dB后每弱1dB,误差增加士0.1dB
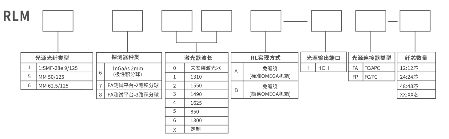
订购信息

举例:
RLM1612A-1FA-24 24芯极性免缠绕式插回损仪波长1310/1550 单模9/125 InGaAs2mm(极性积分球)光源输出端口1CH 接口类型FC/APC。
备注信息:RL实现方式 A/C型号支持双激光器波长,两位数字编码分别代表两个激光器波长,客户可在列表中选择激光器波长或者定制激光器波长。
B型号支持4个单模波长,激光器波长需选择XX。
文档下载
轻松获取澳门六开奖结果2025开奖记录-澳门六开奖2025年开奖结果录-澳门六开奖结果2025开奖记录查询一览表-澳门六开奖结果2026年-2025澳门今晚开奖结果-今天开码结果澳门开奖的服务与支持
您是否需要支持与服务?从这里可以快速获取更多资源,最大程度的提升您的产品体验。



粤公网安备44030502009809